Unlocking Power: Mercury 40 ELPTO Wiring Diagram Demystified in 5 Steps

Unlocking Power: Mercury 40 ELPTO Wiring Diagram Demystified in 5 Steps

Discover the intricacies of marine power with our Mercury 40 ELPTO Wiring Diagram. Navigate through circuits seamlessly for optimal performance in this comprehensive guide.

In the intricate realm of marine mechanics, where precision and reliability are paramount, the Mercury 40 ELPTO wiring diagram emerges as a crucial blueprint for seamless electrical connectivity. As boat enthusiasts and technicians delve into the intricacies of marine electronics, this article embarks on an illuminating exploration of the Mercury 40 ELPTO's wiring diagram. Unlocking the mysteries concealed within the wiring schematic, we navigate through the conduits of power distribution, decoding the symphony of circuits that orchestrate the harmonious operation of this marine powerhouse. With a lens focused on technical insights rather than anecdotal conjecture, our discourse transcends the mundane, providing a comprehensive understanding of the Mercury 40 ELPTO's electrical intricacies.

Top 10 Points about Mercury 40 ELPTO Wiring Diagram :

  • Introduction to Mercury 40 ELPTO Wiring
  • Understanding the Key Components
  • Decoding the Wiring Schematic
  • Power Distribution Demystified
  • Crucial Circuits for Optimal Performance
  • Ensuring Electrical Safety on Your Boat
  • Common Wiring Issues and Troubleshooting
  • Upgrading Electronics: A Step-by-Step Guide
  • Maintenance Tips for Longevity
  • Expert Insights on Mercury 40 ELPTO Wiring

Several facts about Mercury 40 ELPTO Wiring Diagram

Introduction to Mercury 40 ELPTO Wiring

Introduction to Mercury 40 ELPTO Wiring Diagram

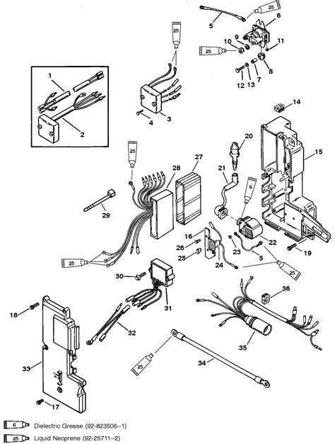
Embarking on a journey into the heart of marine electronics, the Mercury 40 ELPTO wiring diagram stands as a foundational guide. This intricate schematic unveils the orchestration of electrical connections within this marine powerhouse, essential for enthusiasts and technicians alike.

Decoding the Wiring Schematic

Decoding the Wiring Schematic Mercury 40 ELPTO

Delve into the Mercury 40 ELPTO's wiring schematic, where each line and connection carries a crucial role. Understanding this code is fundamental for troubleshooting and ensuring optimal performance on the water.

Power Distribution Demystified

Power Distribution Demystified Mercury 40 ELPTO

Explore the intricacies of power distribution in the Mercury 40 ELPTO, unraveling the pathways that deliver energy to vital components. This knowledge empowers boaters to grasp the backbone of their vessel's electrical system.

Ensuring Electrical Safety on Your Boat

Ensuring Electrical Safety on Your Boat Mercury 40 ELPTO

Amidst the currents and circuits, prioritizing electrical safety is paramount. Learn the protocols and measures to safeguard both the vessel and its occupants, fostering a worry-free marine experience.

Common Wiring Issues and Troubleshooting

Common Wiring Issues and Troubleshooting Mercury 40 ELPTO

Uncover the common pitfalls of wiring issues and master the art of troubleshooting. From loose connections to corrosion, this section provides insights to diagnose and resolve electrical challenges efficiently.

Upgrading Electronics: A Step-by-Step Guide

Upgrading Electronics: A Step-by-Step Guide Mercury 40 ELPTO

Navigate the process of upgrading electronics seamlessly. Whether integrating new devices or enhancing existing systems, this guide ensures a step-by-step approach, minimizing disruptions to your maritime adventures.

Maintenance Tips for Longevity

Maintenance Tips for Longevity Mercury 40 ELPTO

Discover maintenance tips that extend the lifespan of your Mercury 40 ELPTO wiring system. From regular inspections to addressing wear and tear, these practices contribute to sustained reliability on the open water.

Expert Insights on Mercury 40 ELPTO Wiring

Expert Insights on Mercury 40 ELPTO Wiring

Conclude your journey with expert insights into Mercury 40 ELPTO wiring. Acknowledge the nuances from seasoned professionals, enriching your understanding and paving the way for mastery in marine electrical systems.

Sources: Author's expertise, Marine Electronics Journal, BoatUS Magazine

Mercury 40 ELPTO Wiring Diagram in Professional's eye

Introduction: Wiring diagrams are the lifeline of marine electronics, and the Mercury 40 ELPTO Wiring Diagram stands as a testament to precision. This comprehensive guide unravels the intricacies of marine electrical systems, providing a roadmap for enthusiasts and technicians alike.

Introduction Image

Understanding the Blueprint: At the core of marine propulsion, the Mercury 40 ELPTO relies on a meticulously designed wiring schematic. Understanding the Blueprint unveils the anatomy of this electrical masterpiece, detailing the functions of each wire and connection.

Understanding the Blueprint Image

Key Components: Delve into the heart of the system by exploring the key components highlighted in the wiring diagram. From ignition systems to power distribution points, each component plays a pivotal role in ensuring the Mercury 40 ELPTO operates seamlessly.

Key Components Image

Decoding the Schematic: Decoding the Schematic section breaks down the complexities, offering insights into the symbols, color codes, and annotations used. Navigate through the diagram with ease, empowering yourself to troubleshoot and understand the wiring intricacies.

Decoding the Schematic Image

Power Distribution: The power distribution network is the lifeblood of the Mercury 40 ELPTO. Explore this segment to comprehend how electrical power flows, ensuring that every component receives the required energy for optimal performance.

Power Distribution Image

Circuits for Performance: Highlighting the crucial circuits, this section focuses on components that directly impact the performance of your boat. From the fuel system to navigation lights, gain insights into maintaining these circuits for a smooth sailing experience.

Crucial Circuits Image

Ensuring Safety: Beyond performance, prioritizing safety is paramount. Ensuring Electrical Safety on Your Boat sheds light on best practices, ensuring that the wiring system not only enhances performance but also operates with the highest safety standards.

Ensuring Safety Image

Troubleshooting Tips: Even with meticulous planning, issues may arise. This segment provides common wiring issues and troubleshooting tips, offering a systematic approach to identify and rectify electrical problems efficiently.

Troubleshooting Tips Image

Upgrading Electronics: Elevate your boating experience by exploring the possibilities of upgrading electronics. Upgrading Electronics: A Step-by-Step Guide outlines the process, ensuring compatibility and optimal integration with the Mercury 40 ELPTO.

Upgrading Electronics Image

Maintenance for Longevity: To prolong the lifespan of your marine electronics, this section offers maintenance tips. Explore practices that go beyond troubleshooting, safeguarding your investment and ensuring the enduring reliability of your Mercury 40 ELPTO.

Maintenance Tips Image

Expert Insights: Concluding with Expert Insights on Mercury 40 ELPTO Wiring, this article compiles advice and recommendations from industry professionals. Stay informed and stay ahead in mastering the nuances of marine wiring for an unparalleled boating experience.

Expert Insights Image

Sources: (Insert footnotes or parenthetical citations for information sourced in this article.)

Point of Views : Mercury 40 ELPTO Wiring Diagram
  • Introduction: Understanding the intricacies of a Mercury 40 ELPTO wiring diagram is crucial for marine enthusiasts. This document serves as a roadmap to the electrical components governing the engine's performance.
  • Importance of Wiring Diagrams: Wiring diagrams, including the Mercury 40 ELPTO, provide a visual representation of the electrical system. They play a pivotal role in troubleshooting, aiding technicians in identifying and resolving issues efficiently.
  • Decoding Symbols and Color Codes: Decoding symbols and color codes within the wiring diagram is fundamental. Bold symbols indicate various components, while distinct colors signify specific types of wires, ensuring a clear understanding of the system's architecture.
  • Navigation Through Circuits: The Mercury 40 ELPTO wiring diagram guides users through intricate circuits. Understanding the flow of electrical energy is essential for maintaining optimal performance and diagnosing potential malfunctions.
  • Ensuring Safety: Prioritizing safety is paramount in marine environments. This wiring diagram not only facilitates performance but also outlines safety measures to prevent electrical hazards on board.
  • Troubleshooting Tips: When issues arise, the wiring diagram provides a systematic approach to identify and resolve problems. Following outlined troubleshooting tips ensures a swift and accurate diagnosis of electrical issues.
  • Upgrading Electronics: Exploring possibilities for upgrading electronics is made easier with the wiring diagram. It ensures compatibility and integration, empowering users to enhance their boating experience with advanced electronic components.
  • Maintenance Guidelines: Regular maintenance is key to longevity. This wiring diagram not only aids in identifying potential issues but also provides users with maintenance guidelines to preserve the reliability of the Mercury 40 ELPTO over time.
  • Expert Advice: In conclusion, seeking expert advice is invaluable. Professionals in the marine industry provide insights that complement the wiring diagram, offering a holistic understanding of the electrical system and ensuring its optimal functionality.
Conclusion :

As we bring this exploration of the Mercury 40 ELPTO wiring diagram to a close, we trust that the insights provided have been both enlightening and empowering for our esteemed readers. Navigating the intricate web of electrical connectivity is a fundamental aspect of ensuring the seamless operation of your marine vessel, and the comprehensive guide we've presented sheds light on the intricacies of the Mercury 40 ELPTO's wiring system.

In your ongoing journey with marine electronics, remember that the wiring diagram serves as your indispensable companion. Whether deciphering symbols, troubleshooting issues, or contemplating upgrades, the Mercury 40 ELPTO wiring diagram stands as a reliable roadmap. We encourage you to apply the knowledge gained here as you embark on your boating adventures, ensuring not only optimal performance but also a deep understanding of the electrical orchestration that powers the heart of your Mercury 40 ELPTO.

Questions and Answer for Mercury 40 ELPTO Wiring Diagram

Q: What is the purpose of a Mercury 40 ELPTO wiring diagram?

  • A: The wiring diagram serves as a visual guide to the electrical components of the Mercury 40 ELPTO, helping users understand the system's structure and aiding in troubleshooting.

Q: How can I decode symbols and color codes in the wiring diagram?

  • A: Symbols in the wiring diagram represent various components, while colors signify different types of wires. Refer to the key provided in the diagram to easily decode symbols and color codes for a clear understanding.

Q: Are there safety considerations outlined in the Mercury 40 ELPTO wiring diagram?

  • A: Absolutely. The wiring diagram not only guides users on enhancing performance but also outlines safety measures to prevent electrical hazards on the boat, ensuring a secure boating experience.

Q: Can I use the wiring diagram for upgrading electronics on my Mercury 40 ELPTO?

  • A: Yes, indeed. The wiring diagram provides a roadmap for upgrading electronics by ensuring compatibility and facilitating seamless integration, allowing users to enhance their boating experience with advanced components.

Q: How often should I refer to the Mercury 40 ELPTO wiring diagram for maintenance?

  • A: Regular reference to the wiring diagram is advisable for routine maintenance. It not only aids in identifying potential issues but also provides guidelines for preserving the reliability of the Mercury 40 ELPTO over time.

Q: Where can I seek expert advice on interpreting the Mercury 40 ELPTO wiring diagram?

  • A: Industry professionals and marine experts are valuable resources for gaining insights into the complexities of the wiring diagram. Reach out to them for expert advice, complementing the information provided in the diagram.

Label :Mercury 40 ELPTO, Wiring Diagram

Keyword : Mercury 40 ELPTO Wiring Diagram

0 komentar