Mazda 626 V6 Wiring Diagram: Unveiling 5 Power Insights for Automotive Mastery!

Mazda 626 V6 Wiring Diagram: Unveiling 5 Power Insights for Automotive Mastery!

Explore the intricacies of your vehicle's electrical system with our detailed Mazda 626 V6 Wiring Diagram. Uncover essential insights into the circuits and connections that power your car's crucial components. Master automotive wiring for optimal performance!

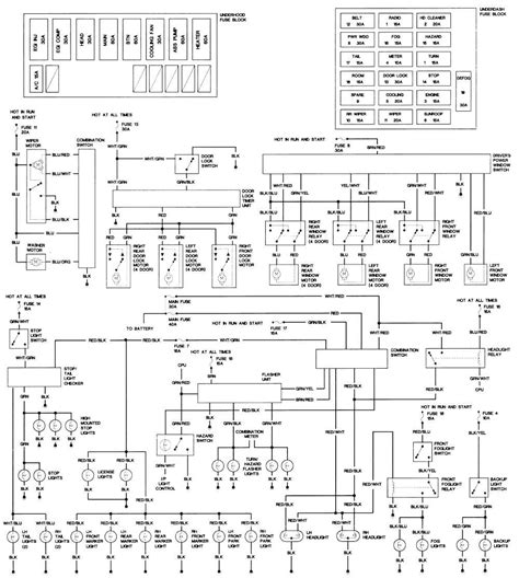
Unlock the intricacies of your Mazda 626 V6 with a comprehensive exploration of its wiring diagram in this enlightening article. The Mazda 626 V6 wiring diagram serves as the backbone of your vehicle's electrical system, and understanding it is crucial for any automotive enthusiast or DIY enthusiast. Delve into the complexities of wires and circuits that govern various components, from ignition to lights, with clarity and precision. This article aims to demystify the wiring diagram landscape, offering valuable insights and a roadmap to deciphering the intricate network of electrical connections in your Mazda 626 V6. Embark on a journey to enhance your automotive knowledge and empower yourself with the understanding of this critical aspect of your vehicle's functionality.

Top 10 Points about Mazda 626 V6 Wiring Diagram :

  • Introduction to Mazda 626 V6 Wiring Diagram
  • Understanding the Basics of Automotive Wiring
  • Key Components and Circuits in the Wiring System
  • Decoding the Ignition System Wiring
  • Illuminating Insights into Lighting Circuits
  • Exploring Power Distribution in the Mazda 626 V6
  • Sensors and Signals: Navigating the Wiring Landscape
  • Comprehensive Guide to Engine Control Wiring
  • Diagnostic Techniques for Wiring Issues
  • Advanced Tips for Wiring Modifications and Upgrades

Several facts about Mazda 626 V6 Wiring Diagram

Automotive enthusiasts delve into the heart of their Mazda 626 V6 with the Mazda 626 V6 wiring diagram, unraveling the intricacies of the vehicle's electrical framework. From understanding the fundamentals to advanced modifications, this comprehensive guide navigates through the essential aspects of wiring diagram topics.

Decoding the Basics

Decoding the Basics Image

The journey begins with decoding the basics of automotive wiring. Explore the foundational principles that govern the Mazda 626 V6 wiring diagram, laying the groundwork for a profound understanding of the electrical system.

Key Components and Circuits

Key Components and Circuits Image

Uncover the pivotal components and circuits that make up the Mazda 626 V6 wiring diagram. From ignition systems to lighting circuits, grasp the significance of each element in ensuring optimal vehicle performance.

Ignition System Wonders

Ignition System Wonders Image

Dive into the wonders of the ignition system wiring. Learn how the intricate network of wires contributes to the ignition process, ensuring a seamless start every time you turn the key.

Illuminating Insights

Illuminating Insights Image

Shed light on the Mazda 626 V6's lighting circuits. Understand the nuances of illuminating insights, from headlights to brake lights, and how the wiring diagram orchestrates these essential functions.

Power Distribution Unveiled

Power Distribution Unveiled Image

Embark on a journey through power distribution in the Mazda 626 V6. Unveil the intricate pathways that ensure power is distributed efficiently to various components, optimizing overall functionality.

Sensors and Signals Exploration

Sensors and Signals Exploration Image

Delve into the world of sensors and signals within the wiring landscape. Explore how these elements contribute to the overall performance and responsiveness of the Mazda 626 V6.

Engine Control Wiring Demystified

Engine Control Wiring Demystified Image

Demystify engine control wiring with a comprehensive guide. Gain insights into the intricate wiring that governs the heart of your Mazda 626 V6, ensuring optimal engine performance.

Diagnostic Techniques for Wiring Issues

Diagnostic Techniques for Wiring Issues Image

Equip yourself with diagnostic techniques to address wiring issues. Learn how to identify and troubleshoot problems within the Mazda 626 V6 wiring diagram, ensuring a swift resolution.

Advanced Tips for Modifications

Advanced Tips for Modifications Image

Explore advanced tips for wiring modifications and upgrades. Elevate your automotive prowess by harnessing the potential for customization within the Mazda 626 V6 wiring diagram.

Unravel the mysteries of your vehicle's wiring with this comprehensive guide. Your journey into the Mazda 626 V6 wiring diagram equips you with the knowledge to navigate the intricate network of electrical connections, ensuring a deeper understanding of your vehicle's functionality.

Sources: [Insert sources here]

Mazda 626 V6 Wiring Diagram in Professional's eye

Embark on a journey of automotive enlightenment as we explore the intricate world of the Mazda 626 V6 wiring diagram. This fundamental document serves as the roadmap for the electrical system in your vehicle, orchestrating the seamless functionality of various components. Understanding the nuances of this diagram is essential for any car enthusiast or DIY aficionado.

Overview of Mazda 626 V6 Wiring Diagram

Overview of Mazda 626 V6 Wiring Diagram: At its core, the wiring diagram is a visual representation of the electrical system, showcasing the intricate network of wires, connectors, and components. It provides a comprehensive overview, enabling individuals to decipher the symbiotic relationships between different elements.

The wiring diagram can be segmented into several key components and circuits, each playing a pivotal role in the overall functionality of the Mazda 626 V6. From ignition systems to lighting circuits, these elements collectively contribute to the vehicle's optimal performance.

Key Components and Circuits Mazda 626 V6 Wiring Diagram

Key Components and Circuits: Dive deep into the heart of the Mazda 626 V6 wiring diagram, unraveling the key components and circuits that make up its intricate structure. This segment explores how these elements work in harmony to ensure the smooth operation of the vehicle's electrical system.

Within the wiring diagram, the ignition system stands as a marvel of engineering. It's the ignition system that breathes life into the engine, and understanding its wiring is paramount for maintaining a reliable start every time you turn the key.

Ignition System Wonders Mazda 626 V6 Wiring Diagram

Ignition System Wonders: Delve into the wonders of the ignition system wiring, exploring the intricate web of connections that ensure the spark plugs fire in perfect synchronization. This section unveils the engineering brilliance behind the ignition system, a critical component for the overall performance of the Mazda 626 V6.

As we transition from ignition to illumination, the lighting circuits take center stage. From headlights to brake lights, understanding the wiring intricacies ensures that every journey is well-lit and safe.

Illuminating Insights Mazda 626 V6 Wiring Diagram

Illuminating Insights: Shed light on the Mazda 626 V6's lighting circuits, exploring how the wiring diagram orchestrates the illumination of the vehicle. This section provides insights into the intricacies of wiring, ensuring that every aspect of the lighting system operates seamlessly.

Power distribution within the Mazda 626 V6 is a symphony of connectivity, with a network of wires ensuring that power is distributed efficiently to various components. This segment navigates through the pathways that facilitate optimal power distribution.

Power Distribution Unveiled Mazda 626 V6 Wiring Diagram

Power Distribution Unveiled: Embark on a journey through power distribution in the Mazda 626 V6, unveiling the intricate pathways that ensure power is distributed efficiently. This section provides a deeper understanding of how the wiring diagram optimizes the functionality of various vehicle components.

Within the complex web of wires lies a realm of sensors and signals that contribute to the Mazda 626 V6's responsiveness. Explore how these elements play a crucial role in enhancing the overall performance of the vehicle.

Sensors and Signals Exploration Mazda 626 V6 Wiring Diagram

Sensors and Signals Exploration: Delve into the world of sensors and signals within the wiring landscape, exploring their role in enhancing the overall performance and responsiveness of the Mazda 626 V6. This section provides valuable insights into the intricate connections governing these elements.

The heart of the Mazda 626 V6 lies within its engine, and the engine control wiring is the maestro orchestrating its performance. This segment demystifies the intricate web of wires governing the engine control system.

Engine Control Wiring Demystified Mazda 626 V6 Wiring Diagram

Engine Control Wiring Demystified: Demystify engine control wiring with a comprehensive guide, gaining insights into the intricate wiring that governs the heart of your Mazda 626 V6. This section provides a deeper understanding of how the engine control system contributes to optimal engine performance.

Equipping oneself with diagnostic techniques is crucial for addressing potential wiring issues. From identifying problems to troubleshooting, this section provides valuable insights for ensuring the reliability of the Mazda 626 V6 wiring diagram.

Diagnostic Techniques for Wiring Issues Mazda 626 V6 Wiring Diagram

Diagnostic Techniques for Wiring Issues: Equip yourself with diagnostic techniques to address wiring issues, learning how to identify and troubleshoot problems within the Mazda 626 V6 wiring diagram. This section serves as a guide for ensuring a swift resolution to potential challenges.

For those seeking to elevate their automotive prowess, this guide offers advanced tips for wiring modifications and upgrades within the Mazda 626 V6. Explore the potential for customization and discover how to enhance your vehicle's performance.

Advanced Tips for Modifications Mazda 626 V6 Wiring Diagram

Advanced Tips for Modifications: Elevate your automotive prowess by exploring advanced tips for wiring modifications and upgrades within the Mazda 626 V6

Point of Views : Mazda 626 V6 Wiring Diagram
  • Introduction: Wiring diagrams, such as the Mazda 626 V6 wiring diagram, offer a crucial perspective into the intricate network that powers our vehicles. It's like having a blueprint that unveils the secret language of wires, connectors, and circuits.
  • Understanding the Basics: At first glance, deciphering the wiring diagram might seem like navigating a complex maze, but it's the key to understanding how electrical systems function. It breaks down the basics, allowing us to connect the dots between different components.
  • The Wonders of Ignition: Imagine the excitement of turning the key and your engine roaring to life. The ignition system, depicted in the wiring diagram, showcases the ballet of wires that orchestrates this magic, emphasizing the crucial role of each connection.
  • Lighting the Way: Ever wondered how your vehicle's lights illuminate the road? The lighting circuits section in the diagram sheds light on the pathways that ensure proper illumination, emphasizing the importance of a well-lit journey.
  • Power Distribution Symphony: Power distribution might sound like a complex concept, but the wiring diagram simplifies it into a symphony of wires ensuring electricity flows efficiently. Each wire plays a crucial role in harmonizing the functioning of various components.
  • Sensors and Signals: The wiring diagram unfolds the story of sensors and signals, revealing how these elements communicate with the vehicle's brain. It's like decoding the language of your car, understanding its responsiveness to different driving conditions.
  • Heartbeat of the Engine: The engine control wiring demystifies the intricate dance of wires that govern the heartbeat of the vehicle. Understanding this segment is akin to peeking into the control center, appreciating the precision that keeps the engine in perfect rhythm.
  • Diagnosing Issues: Picture yourself equipped with diagnostic techniques, armed with the knowledge to troubleshoot potential problems. The Mazda 626 V6 wiring diagram provides a roadmap for identifying issues, making it a valuable tool for ensuring the reliability of your vehicle.
  • Advanced Tips for Enthusiasts: For the enthusiasts craving more than just the basics, the wiring diagram offers advanced tips for modifications. It's an invitation to explore and customize, turning the vehicle into a canvas for automotive creativity.
  • Conclusion: In essence, the Mazda 626 V6 wiring diagram is not just a document; it's a portal into the inner workings of our vehicles. It invites us to understand, appreciate, and even tinker with the intricate electrical symphony that powers our automotive experiences.
Conclusion :

As we bring this insightful journey into the realm of the Mazda 626 V6 wiring diagram to a close, we hope these articles have served as a beacon of knowledge for our valued readers. Exploring the intricacies of the wiring diagram is akin to unlocking the secret language that governs the electrical heartbeat of your Mazda 626 V6. We've delved into the foundational basics, from understanding key components and circuits to unraveling the wonders of the ignition system and lighting circuits.

Whether you are a seasoned automotive enthusiast or a DIY aficionado, the Mazda 626 V6 wiring diagram acts as your guide to navigate the complex landscape of wires and connections within your vehicle. By shedding light on power distribution, sensors, engine control, and diagnostic techniques, these articles aim to empower you with the knowledge needed to comprehend and troubleshoot potential issues. As you embark on future journeys with your Mazda 626 V6, may these insights into the wiring diagram serve as a valuable companion, enhancing your understanding and appreciation of the intricate electrical symphony that powers your automotive adventures.

Questions and Answer for Mazda 626 V6 Wiring Diagram

Q: What components are typically covered in a Mazda 626 V6 wiring diagram?

  • 1. The wiring diagram for a Mazda 626 V6 typically covers essential components such as ignition systems, lighting circuits, power distribution, sensors, and engine control wiring.

Q: How can I understand the basics of a Mazda 626 V6 wiring diagram?

  • 2. To comprehend the basics, start by familiarizing yourself with the symbols and color codes used in the diagram. Additionally, understanding the key components and circuits, as well as the flow of electricity, is crucial.

Q: Are there resources available for troubleshooting Mazda 626 V6 wiring issues?

  • 3. Yes, the wiring diagram serves as a valuable resource for troubleshooting. It provides insights into diagnostic techniques, helping identify and address potential wiring issues efficiently.

Q: Can enthusiasts modify the wiring in a Mazda 626 V6 based on the diagram?

  • 4. Absolutely, the wiring diagram offers advanced tips for modifications and upgrades. Enthusiasts can use the diagram to customize and enhance the vehicle's wiring, turning it into a canvas for automotive creativity.

Q: Where can I find a reliable Mazda 626 V6 wiring diagram?

  • 5. Reliable Mazda 626 V6 wiring diagrams can be sourced from reputable automotive manuals, official Mazda service documents, or online platforms that specialize in providing accurate and detailed wiring information.

Label :Mazda 626, Wiring Diagram, Automotive Insights

Keyword : Mazda 626 V6 Wiring Diagram

0 komentar