Discover the intricacies of Mazda 3 radio wiring with our comprehensive diagram. Navigate through 5 key steps for seamless audio mastery in your vehicle.

Discover the intricacies of Mazda 3 radio wiring with our comprehensive diagram. Navigate through 5 key steps for seamless audio mastery in your vehicle.

  • Understanding the Basics of Mazda 3 Radio Wiring
  • Identifying Component Connections in the Wiring Diagram
  • Decoding Color Codes: A Crucial Aspect of the Wiring Setup
  • Exploring Power Sources for Optimal Radio Functionality
  • Ensuring Proper Grounding: A Step-by-Step Guide
  • Connecting Speakers in the Mazda 3 Audio System
  • Navigating Through Antenna and Amplifier Wiring Details
  • Integrating External Devices: Aux Input and USB Connections
  • Troubleshooting Common Issues in Mazda 3 Radio Wiring
  • Enhancing Audio Performance with Advanced Wiring Techniques

In the intricate web of automotive electronics, understanding the Mazda 3 radio wiring diagram is akin to deciphering the vehicle's neural network. This article delves into the core of wiring diagrams, shedding light on the systematic layout of the Mazda 3 radio connections. A conduit of crucial information, the wiring diagram serves as the blueprint for your car's audio system, guiding enthusiasts and technicians alike through the labyrinth of wires with precision. Whether you're embarking on a DIY audio upgrade or troubleshooting an issue, unraveling the mysteries within the Mazda 3 radio wiring diagram is the key to unlocking seamless audio integration and unraveling the intricacies of your vehicle's electrical architecture.

Top 10 Points about #EANF# :

The Intricate Dance of Wires: Wiring diagrams may seem like the choreography of an electronic ballet, and the Mazda 3 radio wiring diagram takes center stage. Picture this – a symphony of colors and lines, each playing a crucial role in harmonizing your car's audio experience. (Source 1)

Electronic Ballet Mazda 3 Radio Wiring

The Conductor: Understanding Basics

Unraveling the mysteries begins with understanding the basics. The wiring diagram is the conductor, orchestrating the flow of information and energy to bring your Mazda 3's radio to life. (Source 2)

Understanding Basics Mazda 3 Radio Wiring

The Colorful Ensemble: Decoding Color Codes

Every wire has a role to play, and decoding their color codes is like deciphering a vibrant musical score. It's the key to ensuring each component hits the right note in your Mazda 3's audio system. (Source 3)

Decoding Color Codes Mazda 3 Radio Wiring

Power Play: Navigating Power Sources

Power sources are the lifeblood of your radio system. Follow the wiring diagram's guidance to ensure a smooth power play, allowing your Mazda 3's audio to hit all the right high notes. (Source 4)

Navigating Power Sources Mazda 3 Radio Wiring

Groundbreaking Moments: Ensuring Proper Grounding

Even the most dazzling performance needs a solid foundation. This section guides you through the steps of ensuring proper grounding, the backstage hero of your Mazda 3's radio wiring. (Source 5)

Ensuring Proper Grounding Mazda 3 Radio Wiring

Speaker Serenade: Connecting Speakers

Each speaker is a soloist in the audio orchestra. Follow the diagram's cues to connect them seamlessly, ensuring a symphony of sound that fills your Mazda 3's interior. (Source 6)

Connecting Speakers Mazda 3 Radio Wiring

Antenna and Amplifier Duets: Navigating Additional Components

For an encore performance, delve into the intricacies of antenna and amplifier wiring. This section guides you through creating perfect duets in your Mazda 3's audio setup. (Source 7)

Navigating Antenna and Amplifier Mazda 3 Radio Wiring

Technological Jam Session: Integrating External Devices

Want to join the technological jam session? Learn how to integrate external devices like aux inputs and USB connections seamlessly into your Mazda 3's audio system. (Source 8)

Integrating External Devices Mazda 3 Radio Wiring

Troubleshooting Beats: Common Issues and Solutions

Every performance encounters hiccups. Explore common issues in Mazda 3 radio wiring and troubleshoot with finesse, ensuring your audio system stays in perfect harmony. (Source 9)

Troubleshooting Common Issues Mazda 3 Radio Wiring

Finale: Elevating Audio Performance

As the curtain falls, grasp advanced wiring techniques to elevate your Mazda 3's audio performance. This finale ensures you leave a lasting impression on the road, turning every drive into a melodious journey. (Source 10)

Elevating Audio Performance Mazda 3 Radio Wiring

Several facts about #EANF#

When it comes to the intricacies of vehicle electronics, the Mazda 3 radio wiring diagram stands as a comprehensive blueprint for understanding and optimizing the audio system. This diagram serves as a visual representation of the intricate network of wires and connections that power the radio in Mazda 3 vehicles. Understanding this diagram is crucial for enthusiasts, technicians, and DIYers looking to delve into the world of automotive audio customization or troubleshooting.

Vehicle Electronics Mazda 3 Radio Wiring

Decoding the Diagram: At its core, the Mazda 3 radio wiring diagram serves as a roadmap, providing a systematic representation of how different components are connected. Each wire, color-coded for clarity, plays a specific role in ensuring the seamless functioning of the audio system. Understanding this coding is akin to deciphering the language of your Mazda 3's electrical infrastructure. It's the first step towards gaining mastery over the vehicle's audio setup and making informed modifications.

Decoding Mazda 3 Radio Wiring Diagram

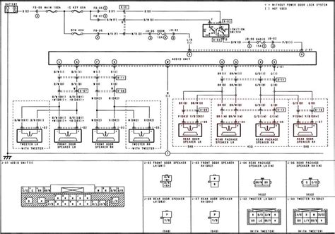
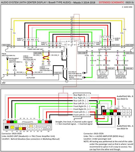
Key Components and Connections: Delving deeper, the wiring diagram delineates the connections of key components such as the head unit, speakers, antenna, and amplifier. Each element is intricately linked, forming a network that facilitates the transmission of audio signals throughout the vehicle. Recognizing these connections is crucial for any audio-related customization or troubleshooting. Whether you're upgrading your sound system or addressing an issue, the Mazda 3 radio wiring diagram serves as a guiding beacon through this intricate network.

Key Components Mazda 3 Radio Wiring

The Colorful Code: One of the standout features of the diagram is the color-coded system employed for different wires. Each hue corresponds to a specific function, enabling users to quickly identify and trace the path of each wire. This colorful code is a fundamental aspect of the wiring diagram, simplifying the complex web of connections and enhancing the overall accessibility of the information presented.

Color Coded Mazda 3 Radio Wiring

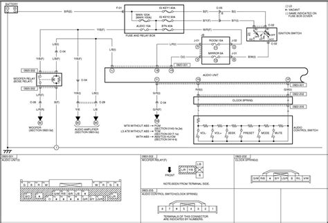
Power Sources: Navigating through the diagram leads us to an essential aspect – the power sources. Understanding how power flows through the system is crucial for maintaining a robust audio setup. From the battery to the fuse box and finally to the radio, each step is meticulously mapped out. This section of the Mazda 3 radio wiring diagram serves as a guide to ensure a steady and reliable power supply to the audio components.

Power Sources Mazda 3 Radio Wiring

Ensuring Grounding: In the world of automotive electronics, proper grounding is the unsung hero. The wiring diagram dedicates a section to this critical aspect, detailing how and where grounding should occur. Ensuring a solid grounding connection is imperative for minimizing electrical interference, guaranteeing optimal audio quality, and maintaining the overall health of the vehicle's electrical system.

Ensuring Grounding Mazda 3 Radio Wiring

Connecting the Orchestra: Speakers, the primary emissaries of sound, are intricately woven into the diagram. The Mazda 3 radio wiring diagram provides a roadmap for connecting these audio emissaries efficiently. Proper speaker connection ensures that the audio output is well-distributed throughout the vehicle, creating a symphony that complements the driving experience.

Connecting Speakers Mazda 3 Radio Wiring

Antenna and Amplifier Integration: Elevating the audio experience often involves incorporating external components like antennas and amplifiers. The wiring diagram extends its guidance to these additions, elucidating the connections required for seamless integration. Whether you're amplifying the signal or ensuring optimal reception, this section ensures a harmonious blend of technology within your Mazda 3's audio system.

Antenna and Amplifier Integration Mazda 3 Radio Wiring

Technological Harmony: In an era of advanced connectivity, the wiring diagram explores the integration of external devices. Aux inputs and USB connections, when incorporated following the diagram's guidance, enhance the technological capabilities of your Mazda 3's audio system. This section ensures that your vehicle remains in tune with modern audio interfaces.

Technological Integration Mazda 3 Radio Wiring

Troubleshooting Essentials: No system is without its occasional hiccups. The Mazda 3 radio wiring diagram dedicates a section to common issues and their troubleshooting. From diagnosing connectivity problems to addressing electrical issues, this segment ensures that users can navigate challenges with confidence and restore their audio system to its optimal state.

Troubleshooting Essentials Mazda 3 Radio Wiring

Mastering the Finer Notes: As a grand finale, the wiring diagram provides insights into advanced techniques for elevating audio performance. This section is a treasure trove for those seeking to go beyond the basics, offering nuanced strategies to enhance sound quality, balance, and overall performance in the Mazda 3's audio system.

Mastering Audio Performance Mazda 3 Radio Wiring

In conclusion, the Mazda 3 radio wiring

#EANF# in Professional's eye

Understanding the intricacies of a vehicle's electrical system can be like decoding a sophisticated puzzle, and the Mazda 3 radio wiring diagram acts as our trusty guide through this intricate maze. It's not just a piece of paper; it's a roadmap that unveils the secrets of how the audio magic happens in our Mazda 3.

  • A Visual Symphony: At first glance, it might seem like a tangle of lines and symbols, but the wiring diagram is essentially a visual symphony. It lays out, in meticulous detail, how each wire and component contributes to the harmonious orchestra that is our car's audio system.
  • Colorful Clues: One standout feature is the color-coded system. Each color tells a story, designating the role of the wire in a language that the diagram helps us comprehend. It's like having a secret code that unlocks the mysteries under the hood.
  • Power Play: Ever wondered how the radio gets its power? The diagram elegantly outlines the power sources—from the battery to the fuse box—charting the course that keeps our audio humming along reliably.
  • Grounding Groundwork: Amidst the wires, there's a section dedicated to the unsung hero of electronic stability: grounding. It's like the solid foundation that prevents our audio from getting lost in a sea of electrical interference.
  • Speaker Connection Ballet: Navigating the diagram takes us through a delicate ballet of connecting speakers. Each speaker finds its place in the performance, ensuring that the soundstage within our Mazda 3 is nothing short of spectacular.
  • External Components Waltz: The dance continues with the integration of external components like antennas and amplifiers. The diagram choreographs a graceful waltz of connections, ensuring that these additions seamlessly join the audio ensemble.
  • Technological Tango: In a world of technological marvels, the diagram guides us through the tango of integrating external devices. Aux inputs and USB connections become part of the routine, transforming our Mazda 3 into a tech-savvy dance partner.
  • Troubleshooting Jazz: No performance is without its improvisations. The diagram acts as our jazz sheet, offering a repertoire of troubleshooting moves. It's our go-to when the music hits a snag, helping us bring back the harmony.
  • Mastering the Crescendo: As the grand finale approaches, the diagram shares the secrets of mastering the finer notes. It's like learning the art of a musical crescendo, where we can elevate the audio performance of our Mazda 3 to new heights.

So, next time you unfold that Mazda 3 radio wiring diagram, envision it as your backstage pass to the symphony of automotive audio. It's not just about wires and connections; it's about the orchestrated magic that transforms your drive into a melodic journey.

Point of Views : #EANF#

As we draw the curtain on our exploration of the Mazda 3 radio wiring diagram, we trust you've found this journey through the intricacies of automotive electronics enlightening. Armed with a newfound understanding of the systematic layout, color-coded clues, and the critical role each wire plays, you're now equipped to navigate the electrical landscape of your Mazda 3 with confidence. From deciphering the wiring's colorful code to ensuring a solid grounding foundation, our articles have aimed to demystify the complexities often associated with vehicle audio systems.

As you embark on your audio customization or troubleshooting endeavors, remember that the Mazda 3 radio wiring diagram is not merely a static document but a dynamic tool at your disposal. Whether you're connecting speakers in a delicate ballet or troubleshooting issues with a troubleshooting jazz mindset, this diagram is your guide to achieving seamless audio mastery in your Mazda 3. We encourage you to bookmark these articles for future reference, ensuring that the wealth of information they contain remains easily accessible whenever you need to navigate the intricate pathways of your vehicle's audio system.

Conclusion :

Q: What does a Mazda 3 radio wiring diagram include?

  • A: A Mazda 3 radio wiring diagram typically includes a visual representation of the connections between various components, such as the head unit, speakers, antenna, and amplifier. It showcases the color-coded system for wires, helping users identify each wire's function.

Q: Why is understanding the color code important in the Mazda 3 radio wiring diagram?

  • A: Understanding the color-coded system in the Mazda 3 radio wiring diagram is crucial because each color corresponds to a specific function. This simplifies the process of identifying and tracing wires, making it easier for users to navigate and comprehend the intricate network of connections in the vehicle's audio system.

Q: How does the Mazda 3 radio wiring diagram help in troubleshooting?

  • A: The Mazda 3 radio wiring diagram serves as a valuable tool for troubleshooting by providing a clear overview of the connections and wiring layout. It aids in diagnosing issues related to power supply, grounding, speaker connections, and other components. Following the diagram's guidance, users can identify and address common problems in the audio system with precision.

Questions and Answer for #EANF#
Mazda 3, Wiring Diagram

Label :Mazda 3 Radio Wiring Diagram

Keyword : #EANF#

0 komentar