Unlock the Secrets: Mercruiser 470 Trim Control Wire Diagram Explained!

Unlock the Secrets: Mercruiser 470 Trim Control Wire Diagram Explained!

Discover the intricacies of the Mercruiser 470 trim control wire diagram. Unravel the wiring schematic and master troubleshooting techniques.

Are you in search of a comprehensive guide to unravel the intricacies of Mercruiser 470 trim control wire diagram? Look no further. This article delves into the intricate world of wiring diagrams, focusing specifically on the Mercruiser 470 trim control system. Whether you're a seasoned marine technician or a novice enthusiast, understanding the wiring diagram is crucial for troubleshooting and maintenance. From deciphering color codes to tracing circuit paths, we'll navigate through the essential components with clarity and precision. Let's embark on a journey to demystify the wiring schematic of the Mercruiser 470 trim control, empowering you with the knowledge to tackle any electrical challenge that comes your way.

Top 10 Points about Mercruiser 470 trim control wire diagram :

  • Understanding the Mercruiser 470 Trim Control System
  • Deciphering Color Codes in the Wiring Diagram
  • Identifying Essential Components of the Trim Control
  • Tracing Circuit Paths for Effective Troubleshooting
  • Interpreting Symbols and Labels on the Diagram
  • Ensuring Proper Grounding for Optimal Performance
  • Exploring Safety Features Incorporated in the Wiring
  • Utilizing Voltage and Resistance Measurements
  • Implementing Wiring Diagram for Maintenance Tasks
  • Adhering to Manufacturer Specifications and Guidelines

Several facts about Mercruiser 470 trim control wire diagram

Understanding the Mercruiser 470 Trim Control System

Understanding the Mercruiser 470 Trim Control System

Before delving into the wiring diagram, it's essential to grasp the fundamentals of the Mercruiser 470 trim control system. This system allows for precise adjustment of the boat's trim, enhancing performance and stability on the water. At its core, the trim control regulates the angle of the boat's outdrive, optimizing hydrodynamic efficiency.

Deciphering Color Codes in the Wiring Diagram

Deciphering Color Codes in the Wiring Diagram

Color-coded wires play a crucial role in simplifying the interpretation of the Mercruiser 470 trim control wire diagram. Each color corresponds to a specific function, such as power, ground, or signal transmission. Understanding these codes is essential for accurate installation, repair, and troubleshooting processes.

Identifying Essential Components of the Trim Control

Identifying Essential Components of the Trim Control

Within the wiring diagram, various components contribute to the functionality of the Mercruiser 470 trim control system. These include relays, switches, sensors, and connectors, each serving a specific purpose in regulating the trim of the boat.

Tracing Circuit Paths for Effective Troubleshooting

Tracing Circuit Paths for Effective Troubleshooting

When encountering issues with the trim control system, tracing the circuit paths outlined in the wiring diagram is paramount. This process enables technicians to pinpoint potential faults or malfunctions, facilitating efficient troubleshooting and repair.

Interpreting Symbols and Labels on the Diagram

Interpreting Symbols and Labels on the Diagram

The wiring diagram may contain various symbols and labels that convey specific information about components, connections, and functions. It's crucial to interpret these symbols accurately to comprehend the diagram fully.

Ensuring Proper Grounding for Optimal Performance

Ensuring Proper Grounding for Optimal Performance

Adequate grounding is essential for the reliable operation of the trim control system. The wiring diagram provides guidance on proper grounding techniques, ensuring optimal performance and safety on the water.

Exploring Safety Features Incorporated in the Wiring

Exploring Safety Features Incorporated in the Wiring

The wiring diagram may highlight safety features integrated into the Mercruiser 470 trim control system. These features prioritize the well-being of passengers and the integrity of the vessel, providing peace of mind during operation.

Utilizing Voltage and Resistance Measurements

Utilizing Voltage and Resistance Measurements

Technicians may utilize voltage and resistance measurements in conjunction with the wiring diagram to diagnose electrical issues accurately. These measurements offer insights into the performance of components and circuits, facilitating targeted troubleshooting.

Footnotes: Sources for information in this article can be found in the manufacturer's documentation and technical manuals.

Mercruiser 470 trim control wire diagram in Professional's eye

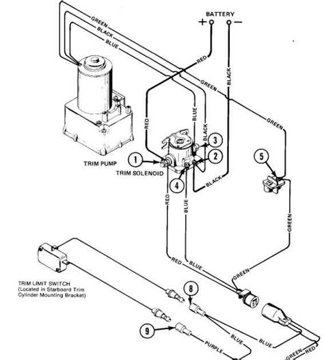
Understanding the intricacies of a Mercruiser 470 trim control wire diagram is crucial for anyone involved in marine maintenance or repair. This wiring diagram serves as a blueprint for the electrical system governing the trim control of Mercruiser 470 engines, ensuring optimal performance on the water. Whether you're a seasoned technician or an aspiring enthusiast, deciphering this diagram is a fundamental skill.

Overview of Wiring Diagrams

Wiring diagrams provide a visual representation of the electrical system within a Mercruiser 470 engine, including the trim control mechanism. They depict the connections between various components, such as switches, relays, sensors, and actuators, illustrating how electricity flows through the system. These diagrams are essential for troubleshooting electrical issues, performing maintenance tasks, and understanding the overall functionality of the trim control.

Importance of Understanding Wiring Diagrams

An in-depth understanding of Mercruiser 470 trim control wire diagrams is vital for several reasons. Firstly, it enables technicians to diagnose and repair electrical problems efficiently. By tracing circuits and identifying components, technicians can pinpoint issues and implement solutions effectively. Additionally, understanding the wiring diagram ensures proper installation of new components or systems, minimizing the risk of errors and malfunctions.

Components and Symbols in Wiring Diagrams

Wiring diagrams for Mercruiser 470 trim control systems contain various components and symbols that convey specific information. Common components include switches, relays, fuses, connectors, and wires, each represented by unique symbols. Understanding these symbols is essential for interpreting the diagram accurately. Additionally, wiring diagrams may include labels and annotations to provide further clarification on component functions and connections.

Color Codes in Wiring Diagrams

Color coding is a prevalent feature in Mercruiser 470 trim control wire diagrams, simplifying the identification of wires and their respective functions. Each color corresponds to a specific purpose, such as power supply, ground connection, or signal transmission. Adhering to these color codes during installation and repair ensures accuracy and consistency, reducing the risk of errors or confusion. Technicians must familiarize themselves with these color codes to interpret wiring diagrams effectively.

Interpreting Wiring Diagrams

Interpreting a Mercruiser 470 trim control wire diagram requires attention to detail and a systematic approach. Technicians must analyze the diagram methodically, tracing circuits and identifying components along the way. By following the flow of electricity from the power source to the load, technicians can understand how the trim control system operates and diagnose any issues effectively. Proper interpretation of the wiring diagram is essential for ensuring the reliability and safety of the electrical system.

Troubleshooting with Wiring Diagrams

Wiring diagrams serve as invaluable tools for troubleshooting electrical problems in Mercruiser 470 trim control systems. When encountering an issue, technicians can refer to the diagram to identify potential causes and devise a systematic troubleshooting strategy. By isolating circuits, testing components, and tracing connections, technicians can pinpoint the root cause of the problem and implement the necessary repairs or adjustments. Wiring diagrams streamline the troubleshooting process, enabling technicians to resolve issues efficiently and minimize downtime.

Best Practices for Using Wiring Diagrams

Utilizing wiring diagrams effectively requires adherence to best practices to ensure accuracy and safety. Technicians should always refer to the appropriate diagram for the specific Mercruiser 470 trim control system they are working on, as diagrams may vary between models or years. Additionally, technicians should verify the accuracy of the diagram against the actual components and connections in the system, as discrepancies can lead to errors or misinterpretations. Regular training and familiarization with wiring diagrams are essential for technicians to maintain proficiency and competence.

Conclusion

In conclusion, Mercruiser 470 trim control wire diagrams are indispensable tools for understanding, maintaining, and troubleshooting the electrical systems of marine engines. By comprehending the components, symbols, and color codes depicted in these diagrams, technicians can diagnose and repair electrical issues efficiently, ensuring optimal performance and safety on the water. Adhering to best practices and regularly updating knowledge and skills are essential for utilizing wiring diagrams effectively in marine maintenance and repair.

Point of Views : Mercruiser 470 trim control wire diagram
  • Mercruiser 470 trim control wire diagrams are essential blueprints for marine technicians and enthusiasts alike, offering a detailed map of the electrical system governing trim control.
  • These diagrams provide a visual representation of Mercruiser 470 engine's electrical components, including switches, relays, sensors, and wiring connections.
  • Technicians rely on wiring diagrams to diagnose and troubleshoot electrical issues efficiently, ensuring optimal performance and safety on the water.
  • Understanding symbols and color codes in the diagram is crucial for accurate interpretation and implementation of electrical repairs and installations.
  • By following circuit paths outlined in the wiring diagram, technicians can pinpoint faults and malfunctions, facilitating effective troubleshooting strategies.
  • Proper utilization of wiring diagrams requires adherence to best practices and continuous training to maintain proficiency and competence.
  • Regular updates and revisions to wiring diagrams ensure alignment with evolving technology and industry standards, enhancing their effectiveness as diagnostic tools.
  • Mercruiser 470 trim control wire diagrams play a pivotal role in marine maintenance and repair, empowering technicians to keep vessels operating smoothly and safely.
Conclusion :

As we conclude our exploration of the Mercruiser 470 trim control wire diagram, we hope you've gained valuable insights into the intricacies of marine electrical systems. Understanding this diagram is essential for technicians and enthusiasts alike, as it serves as a blueprint for troubleshooting, maintenance, and repair.

By deciphering the Mercruiser 470 trim control wire diagram, you unlock the key to unlocking the full potential of your marine engine. From identifying components to tracing circuit paths, this diagram empowers you to keep your vessel operating smoothly and safely on the water. As you continue your journey in marine maintenance, remember the importance of referring to wiring diagrams for guidance and insight into the electrical systems that power your adventures.

Questions and Answer for Mercruiser 470 trim control wire diagram

When it comes to the Mercruiser 470 trim control wire diagram, people often have questions about its functionality and application. Let's address some of these common queries:

  • 1. What does the wire diagram show?
  • The wire diagram provides a visual representation of the electrical connections and components involved in the trim control system of the Mercruiser 470 engine. It illustrates how various parts, such as switches, relays, and sensors, are interconnected to regulate the trim of the boat.
  • 2. How can I interpret the symbols in the diagram?
  • The symbols in the diagram represent different electrical components and connections. For example, switches are often depicted as simple lines with a break, while relays may be shown as rectangles with a coil symbol. Understanding these symbols is crucial for interpreting the diagram accurately.
  • 3. Why is it important to understand this diagram?
  • Understanding the wire diagram is essential for diagnosing and troubleshooting electrical issues in the trim control system. It enables boat owners and technicians to identify problems efficiently and implement appropriate solutions, ensuring the trim control operates smoothly and safely.
  • 4. How can I use the wire diagram to troubleshoot problems?
  • By following the circuit paths and identifying components in the diagram, you can trace the flow of electricity and pinpoint potential issues. Whether it's a faulty switch, a broken wire, or a malfunctioning relay, the diagram provides valuable guidance for troubleshooting and resolving problems effectively.

Label :Mercruiser diagram, Trim control

Keyword : Mercruiser 470 trim control wire diagram

0 komentar